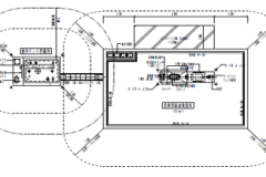
施工事例013:岩手県盛岡市

施設概要
施設区分自家用給油取扱所
所在地岩手県盛岡市
保有車輛数500台(全営業所)
月間使用量30KL程度
給油所面積122.40㎡
施工年月令和3年11月
設備機器
計量器管理機内蔵シングル型
配管類露出:PLS‐F管(溶接)
埋設:熱可塑性樹脂管
タンクコンボルトタンク8.0KL型
実容量 : 7.46KL
付随設備類

〇PDFデータのダウンロードにはパスワードが必要となります。ダウンロードをご希望の方は、弊社担当者までご連絡ください。

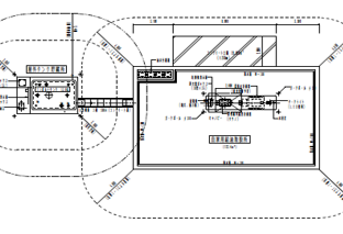
施工事例012:新潟県三条市

施設概要
施設区分自家用給油取扱所
所在地新潟県三条市
保有車輛数500台(全営業所)
月間使用量40KL程度
給油所面積122.40㎡
施工年月令和4年8月
設備機器
計量器管理機内蔵シングル型
配管類露出:PLS‐F管(溶接)
埋設:熱可塑性樹脂管
タンクコンボルトタンク12.0KL型
実容量 : 11.00KL
付随設備類キャノピー

〇PDFデータのダウンロードにはパスワードが必要となります。ダウンロードをご希望の方は、弊社担当者までご連絡ください。

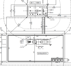
施工事例011:富山県魚津市

施設概要
施設区分船舶給油取扱所
所在地富山県魚津市
給油所面積6.72㎡
施工年月令和4年12月
設備機器
計量器シングル型
配管類露出:SUS管(溶接)
埋設:SUS管(溶接)
タンクコンボルトタンク15.0KL型
実容量 : 14.87KL
付随設備類管理機、ホースリール(20ⅿ)

〇PDFデータのダウンロードにはパスワードが必要となります。ダウンロードをご希望の方は、弊社担当者までご連絡ください。

施工事例010:新潟県南魚沼郡湯沢町

特殊な送油設備

冬期間車両が進入出来ないスキー場内にある宿泊施設までの送油(灯油)設備。
タンク、配管(総延長1.5㎞)を設備。
積雪にも対しても強固なコンボルトタンクを採用。

施設概要
施設区分屋外タンク貯蔵所
所在地新潟県南魚沼郡湯沢町
月間使用量100KL程度(冬期)
施工年月令和4年12月
設備機器
計量器オイルポンプ50A×2基
配管類露出:PLS‐F管(溶接)
埋設:熱可塑性樹脂管
タンクコンボルトタンク30.0KL型
実容量 : 28.80KL
付随設備類ポンプ室、送油設備

〇PDFデータのダウンロードにはパスワードが必要となります。ダウンロードをご希望の方は、弊社担当者までご連絡ください。

施工事例009:宮城県栗原市

特殊な配置

施主様事業所の敷地が限られた敷地でした。
建物を挟んでタンクと給油所を切り分ける事で解決。

施設概要
施設区分自家用給油取扱所
所在地宮城県栗原市
保有車輛数30台
月間使用量70KL程度
給油所面積127.28㎡
施工年月令和5年5月
設備機器
計量器ダブル型
配管類露露出:PLS‐F管(溶接)
埋設:熱可塑性樹脂管
タンクコンボルトタンク30.0KL型
実容量 : 28.80KL
付随設備類管理機

〇PDFデータのダウンロードにはパスワードが必要となります。ダウンロードをご希望の方は、弊社担当者までご連絡ください。

施工事例008:栃木県鹿沼市

施設概要
施設区分自家用給油取扱所
所在地栃木県鹿沼市
保有車輛数15台
月間使用量80KL程度
給油所面積129.5㎡
施工年月令和5年7月
設備機器
計量器シングル型
配管類露出:PLS‐F管(溶接)
埋設:熱可塑性樹脂管
タンクコンボルトタンク35.0KL型
実容量 : 36.00KL
付随設備類管理機、尿素水ディスペンサー、非常用発電機回路

〇PDFデータのダウンロードにはパスワードが必要となります。ダウンロードをご希望の方は、弊社担当者までご連絡ください。

施工事例007:群馬県前橋市

低コストのご提案

既設の洗車場を自家用給油所に改装しました。
施工コストを抑える事を可能に出来ました。

施設概要
施設区分自家用給油取扱所
所在地群馬県前橋市
保有車輛数500台(全営業所)
月間使用量20KL程度
給油所面積148.203㎡
施工年月令和6年4月
設備機器
計量器管理機内蔵シングル型
配管類露出:PLS‐F管(溶接)
埋設:熱可塑性樹脂管(さや管)
タンクコンボルトタンク12.0KL型
実容量 : 11.00KL
付随設備類キャノピー

〇PDFデータのダウンロードにはパスワードが必要となります。ダウンロードをご希望の方は、弊社担当者までご連絡ください。

施工事例006:福島県田村郡

施設概要
施設区分自家用給油取扱所
所在地福島県田村郡
保有車輛数30台(大型車)
月間使用量80KL程度
給油所面積153.2㎡
施工年月平成30年12月
設備機器
計量器管理機内蔵シングル型
配管類露出:PLS管(溶接)
埋設:PLS管(溶接)
タンクコンボルトタンク30.0KL型
実容量 : 28.80KL
付随設備類尿素水ディスペンサー

〇PDFデータのダウンロードにはパスワードが必要となります。ダウンロードをご希望の方は、弊社担当者までご連絡ください。

施工事例005:新潟県長岡市

既存の給油所に新たなご提案

既設の自家用給油所にコンボルトタンクを接続しました。
施工コストを抑える。
施工中も給油を可能に出来ました。

施設概要
施設区分自家用給油取扱所
所在地新潟県長岡市
保有車輛数500台(全営業所)
月間使用量80KL程度
給油所面積299.0㎡(既設)
施工年月令和6年5月
設備機器
計量器管理機内蔵シングル型
配管類露出:PLS‐F管(溶接)
埋設:熱可塑性樹脂管(さや管)
タンクコンボルトタンク20.0KL型
実容量 : 21.00KL
付随設備類キャノピー

〇PDFデータのダウンロードにはパスワードが必要となります。ダウンロードをご希望の方は、弊社担当者までご連絡ください。

施工事例004:宮城県仙台市泉区

施設概要
施設区分自家用給油取扱所
所在地宮城県泉区
保有車輛数50台(中型車)
月間使用量60KL程度
給油所面積104.257㎡
施工年月令和2年12月
設備機器
計量器ダブル型
配管類露出:PLS管(溶接)
埋設:PLS管(溶接)
タンクコンボルトタンク30.0KL型
実容量 : 28.8KL
付随設備類管理機、非常用発電回路

〇PDFデータのダウンロードにはパスワードが必要となります。ダウンロードをご希望の方は、弊社担当者までご連絡ください。